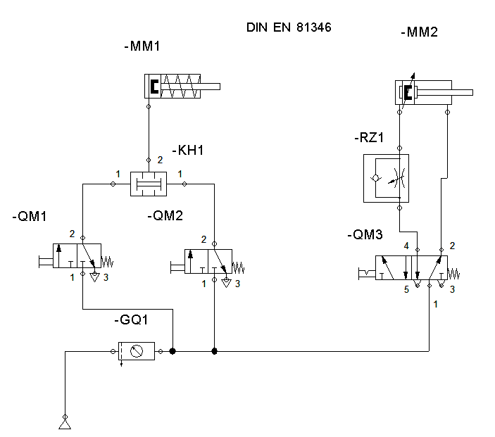
Grundlagen Pneumatik | Stundenentwurf 120 min. erklärt | Schaltplan FLUIDSIM Datei + Video + Bauteile Bilder + Stundenentwurf€0+€0+https://schema.org/InStockeurTechnische BildungTechnische BildungName a fair price:€I want this!Watch link provided after purchaseAdd to wishlist New wishlistShareShare on XShare on Facebook Copy linkCopy product URL